優秀的閥門電動裝置供應商
全國服務熱線:
全國服務熱線:
憑借我們豐富的產品係列和專業的工程設計經驗, 天二通能(néng)夠為大量應用(yòng)提供完善的解決方案。
AIT角(jiǎo)行程性能數據
|
執行器 |
AIT125 |
AIT250 |
AIT500 |
AIT1000 |
AIT2000 |
|||||||||||||||
|
力(lì)矩Nm |
||||||||||||||||||||
|
^大(dà)值 |
125 |
250 |
500 |
1000 |
2000 |
|||||||||||||||
|
^小值 |
50 |
100 |
200 |
400 |
800 |
|||||||||||||||
|
^大(dà)值 |
92 |
185 |
369 |
738 |
1476 |
|||||||||||||||
|
^小(xiǎo)值 |
37 |
74 |
148 |
295 |
590 |
|||||||||||||||
|
運行時間 |
||||||||||||||||||||
|
^小值90℃ |
5 |
8 |
15 |
30 |
60 |
|||||||||||||||
|
^大(dà)值(zhí)90℃ |
20 |
30 |
60 |
120 |
120 |
|||||||||||||||
|
法蘭(lán) |
||||||||||||||||||||
|
ISO5211 |
F05 |
F07 |
F10 |
F07 |
F10 |
F10 |
F12 |
F14 |
F14 |
|||||||||||
|
MSS SP-101 |
FA05 |
FA07 |
FA10 |
FA07 |
FA10 |
FA10 |
FA12 |
FA14 |
FA14 |
|||||||||||
|
重量 |
||||||||||||||||||||
|
KG |
22 |
22 |
22 |
37 |
37 |
|||||||||||||||
|
IBS |
49 |
49 |
49 |
82 |
82 |
|||||||||||||||
|
連軸節-可接受軸 |
||||||||||||||||||||
|
圓孔和鍵槽^大值(zhí)mm |
22 |
28 |
42 |
28 |
42 |
42 |
60 |
60 |
||||||||||||
|
圓孔和鍵槽^大值ins |
0.87 |
1.1 |
1.65 |
1.1 |
1.65 |
1.65 |
2.36 |
2.36 |
||||||||||||
|
方孔(kǒng)AF^大值mm |
14 |
19 |
32 |
19 |
32 |
32 |
41 |
41 |
||||||||||||
|
方孔AF^大值ins |
0.56 |
0.75 |
1.25 |
0.75 |
1.25 |
1.25 |
1.62 |
1.62 |
||||||||||||
|
手輪 |
||||||||||||||||||||
|
轉90℃ |
80 |
80 |
80 |
80 |
80 |
|||||||||||||||
|
角度調整 |
||||||||||||||||||||
|
(標稱)角度 |
80-100 |
80-100 |
80-100 |
80-100 |
80-100 |
|||||||||||||||
IQ 24直流(17-37伏特)性能
*24V DC的輸出(chū)力矩和上述的(de)一樣,但速度隨載荷變(biàn)化。
*可選法蘭(lán)F05 FA05 F07和FA07使用底座,所需底(dǐ)座型號必須加以說明。
*設備(bèi)隨附實(shí)心連軸節,需(xū)要(yào)由(yóu)閥門製造商進行^後加工。
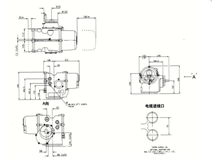
AIT125、250、500執行機構的外形尺寸
AIT125、250、500執行機構的法蘭尺寸
AIT1000、2000執行機構的外形尺寸

AIT1000/2000執行機構的法(fǎ)蘭尺寸
